Hydraulikpumpen – Luftangetriebene Pumpen
SHDL 4000
Vorteile
Die FASTEC SHDL - Serie ist ein leistungsfähiges, kompaktes Luft-Hydraulik-Hochdruckaggregat, das konsequent auf den industriellen Einsatz ausgelegt ist.
- geringer Luftdruck für höchste Arbeitsdrücke
- 1 bar Luftdruck = 740 bar Hydraulikdruck
- Robuste, kompakte und langlebige Bauweise
- Geringe Abmessungen und geringes Gewicht
- Sofort einsatzbereit, da fertig montiert und ölgefüllt
- Leckölfreie Abdichtung aller Teile, dadurch selbst bei 4.000 bar kein Druckverlust
- Verarbeitung aus hochwertigen Materialien
- Gehärtete, auswechselbare Ventilsitze
- Druckablassventil mit internem Tankrücklauf
- Fest installiert im robusten Gehäuse
- Wartungsfreundliche Handhabung
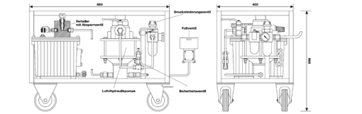
- Verteiler mit bis zu vier Nutzanschlüssen
Technische Daten

(viele weitere Ausführungsvarianten auf Anfrage)
- Max. Hydraulikdruck: 4.000 bar
- Sicherheitsventil auf
der Luftdruckseite:
Werkseitig eingestellt auf ca. max. Hydraulikdruck
4.000 bar / 3.000 bar / 2.500 bar / 1.600 bar - Druckübersetzer: Übersetzungsverhältnis von 1 bar Luftdruck zu 740 bar Hydraulikdruck
- Wartungseinheit: Verstellbarer Druckminderer und Ölinjektor zum Arbeiten mit geölter Druckluft
- Druckanschluss: Verschiedenste Ausführungen nach Typenschlüssel
- Manometer: Ø 100, Klasse 1,0, glyceringefüllt, 4.000 bar / 3.000 bar / 2.500 bar / 1.600 bar
- Luftabsperrventil: Hand- und fussbetätigt
- Tank: Alu-Tank mit 6 Liter Nutzvolumen sowie von aussen ablesbarem Ölstandsanzeiger
- Hydrauliköl: HLP ISO VG 15
- Aufbau: Wartungsfreundliche Anordnung der einzelnen Komponenten, Stahlrohrrahmen lackiert, Schalldämpfer auf der Luftdruckseite, fahrbar
- Gewicht (ölgefüllt): ca. 34 kg
- Masse: L660 mm x B400 mm x H596 mm
- Verpackung: Palette
TOP